Koszyk
0
W koszyku nie ma jeszcze produktów
0 sztuk
0,00 zł
Razem (brutto)
0,00 zł
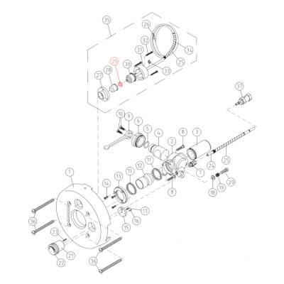
Membrana przycisku pneumatycznego FitStar
885140
511100
Membrana przycisku pneumatycznego atrakcji wodnych - Fitstar / Hugo Lahme.
Zgodny ze starym typem UNI - produkowanym do 1998.
DPD Kurier od 18 zł
Paleta RABEN od 140 zł
Zapytaj o produkt
Wiadomość wysłana
Wiadomość została poprawnie wysłana
Wystąpił problem
Wystąpił problem z wysyłaniem wiadomości. Skontaktuj się z nami w inny sposób.
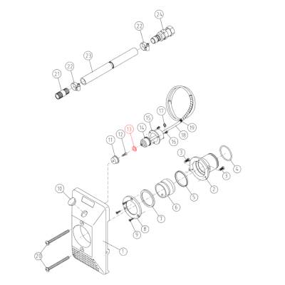
Membrana przycisku pneumatycznego UNI
Membrana podtrzymująca mieszek powietrzny w przycisku FitStar UNI (Hugo Lahme). Element wykonany została z wysokiej jakości tworzywa sztucznego. Membrana uszczelnia przycisk oraz poduszkę powietrzną.
Kompatybilność:
- Przeciwprąd Tornado (7305000)
- Przeciwprąd Junior (7304300) - produkowany do sierpnia 1997
- Przeciwprąd UNI (730300-1) - produkowany do marca 1998
Kod producenta:
- Membrana przycisku FitStar (511100)
Jeżeli masz problem z doborem elementu - NAPISZ DO NAS
Membrana przycisku pneumatycznego atrakcji wodnych - Fitstar / Hugo Lahme.
Zgodny ze starym typem UNI - produkowanym do 1998.